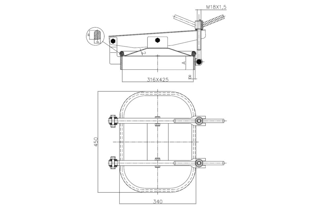
Puerta rectangular con apertura vertical exterior.