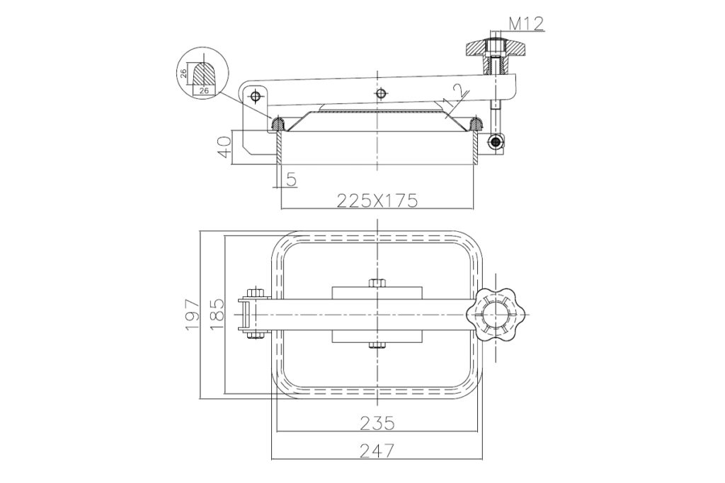
Puerta inoxidable rectangular con apertura horizontal exterior.